Накладные замки для металлических (входных) дверей
Купить накладной замок для металлической входной двери по лучшей цене
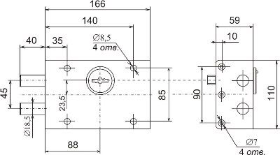
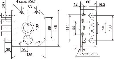
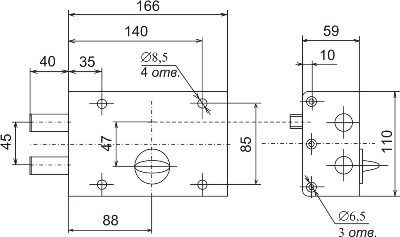
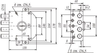
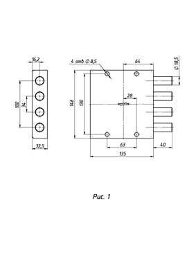
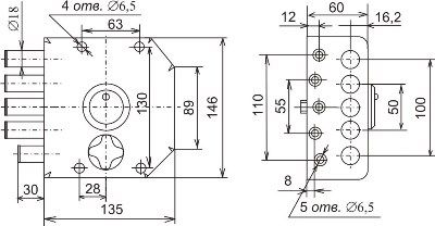
Накладной замок для металлической двери — это запорный механизм, который устанавливается на полотно без врезки и используется для запирания входа в дом, техническое или производственное помещение, гараж. В отличие от моделей врезного типа, накладные замки быстрее и проще монтируются, обеспечивают более надежное замыкание. Мощные запирающие элементы крайне сложно взломать методом подбора ключа, механическим способом и с помощью электрических инструментов.
При выборе подходящей модели необходимо учитывать тип секретного механизма, назначение, наличие дополнительных средств защиты от проникновения и другие факторы.
Механизмы запирания
Важным критерием выбора является способ запирания и отпирания. Производители предлагают такие распространенные варианты для входных металлических дверей:
-
Замок накладной цилиндровый. В нем используется цилиндр со штифтами и плоский ключ. Это наиболее популярные и недорогие модели. Обеспечивают высокий уровень секретности и в случае поломки легко ремонтируются. Чаще всего устанавливаются в квартирах.
-
Замок накладной сувальдный. В механизме установлены стальные пластины, которые сдвигаются широкой головкой ключа с пропилами и выступами. Один из самых прочных вариантов. Взломать и подобрать ключ к нему крайне сложно.
-
Замок накладной реечный. В нем запорным механизмом выступает ригель, на котором прорезаны скошенные борозды. Они соответствуют по размеру вырезам на ключе. Отпирание происходит в момент вставки ключа в замочную скважину.
Также производители предлагают варианты с бесключевым доступом. Эти замки отпираются после набора кода, прикладывания брелка или карточки, по отпечатку пальца.
Разновидности замков
В продаже можно найти особые типы запорных приспособлений с дополнительными функциями и разной сферой назначения:
-
Замок гаражный накладной — массивная и прочная модель, которую практически невозможно взломать механическим способом. Ставится на створку дверей или въездных ворот.
-
Уличные запирающие механизмы — отличаются тем, что переносят эксплуатацию в условиях постоянной влажности и температурных колебаний. Корпус защищает внутренние детали от коррозии.
-
Замок накладной с защелкой — оснащен дополнительной рукояткой для запирания механизма изнутри без использования ключа.
Их установка делает закрывание и отпирание дверей более комфортным, а дом, квартиру или гараж безопаснее.
Преимущества изделий накладного типа
Представленные в этом разделе каталога изделия имеют такие плюсы:
-
Легко устанавливаются. Для крепления корпуса на полотне нужно просверлить несколько небольших отверстий и одно побольше — для ключа. Не нужно вырезать часть уголка из рамы двери, чтобы вставить механизм.
-
Просто ремонтируются. Корпус расположен снаружи, поэтому при какой-либо поломке достаточно снять его и заменить либо починить вышедшие из строя детали.
-
Долго служат. Размеры замка позволяют использовать бОльшие запчасти, что положительно отражается на надежности. Изделия практически не ломаются даже при ежедневном использовании на двери в парадное или воротах в склад.
-
Надежно запирают дверь. Мощные ригели надежно удерживают полотно в обвязке, препятствуя отпиранию методом отжатия или взлома механизма.
Производители заботятся и о внешнем виде замков, поэтому их установка на дверь в квартире или доме не портит интерьер прихожей.
Где приобрести
Если вам нужно купить накладной замок, обращайтесь в компанию «Замки Век». Подобрать нужную модель можно через каталог с фильтрами или с помощью наших менеджеров. Для получения консультаций и подачи заявки на приобретение воспользуйтесь электронной формой на сайте или позвоните по указанному на сайте телефону.






























